• <tr id="ii00i"></tr>
  • <nav id="ii00i"><sup id="ii00i"></sup></nav>
  • <nav id="ii00i"></nav>
  • <tfoot id="ii00i"><noscript id="ii00i"></noscript></tfoot>
    <tfoot id="ii00i"><noscript id="ii00i"></noscript></tfoot>
  • <tfoot id="ii00i"><noscript id="ii00i"></noscript></tfoot>
    天天成人综合网,亚洲人妻资源网,欧美精品网,国产黑丝袜在线观看视频,蜜桃av一卡二卡三卡,激情综合图区,亚洲avav,亚洲av电影天堂网

    您好!歡迎光臨烜芯微科技品牌官網!

    深圳市烜芯微科技有限公司

    ShenZhen XuanXinWei Technoligy Co.,Ltd
    二極管、三極管、MOS管、橋堆

    全國服務熱線:18923864027

  • 熱門關鍵詞:
  • 橋堆
  • 場效應管
  • 三極管
  • 二極管
  • 7805引腳圖與參數-規格書中文資料詳情
    • 發布時間:2020-06-02 17:21:27
    • 來源:
    • 閱讀次數:
    7805引腳圖與參數-規格書中文資料詳情
    7805引腳圖與參數-7805引腳圖及電路
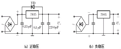
    (1)集成三端穩壓器根據穩定電壓的正、負極性分為78×××,79×××系列。附圖給出了正、負穩壓的典型電路。
    7805引腳圖和參數
    正、負穩壓7805電路
    (2)7805引腳圖和參數-三端穩壓器的型號規格和管腳分布
    7805引腳圖和參數
    附表1-17 三端穩壓器輸出電流字母表示法
    7805引腳圖和參數
    例如:78M05三端穩壓器可輸出+5 V、0.5 A的穩定電壓;7912三端穩壓器可輸出 12V、1A的穩定電壓。
    (3) 外形及管腳分布,如附圖1-25所示。
    7805引腳圖和參數
    烜芯微科技7805引腳圖和參數、規格書
    7805 1A 引腳圖和參數、規格書
    (1)引腳圖
    7805引腳圖和參數
    (2)規格書
    查看規格書,請點擊下圖。
    7805引腳圖和參數
    7805 1.5A 引腳圖和參數、規格書
    (1)引腳圖
    7805引腳圖和參數
    (2)規格書
    查看規格書,請點擊下圖。
    7805引腳圖和參數
    烜芯微專業制造二極管,三極管,MOS管,橋堆等20年,工廠直銷省20%,1500家電路電器生產企業選用,專業的工程師幫您穩定好每一批產品,如果您有遇到什么需要幫助解決的,可以點擊右邊的工程師,或者點擊銷售經理給您精準的報價以及產品介紹
    相關閱讀