• <tr id="ii00i"></tr>
  • <nav id="ii00i"><sup id="ii00i"></sup></nav>
  • <nav id="ii00i"></nav>
  • <tfoot id="ii00i"><noscript id="ii00i"></noscript></tfoot>
    <tfoot id="ii00i"><noscript id="ii00i"></noscript></tfoot>
  • <tfoot id="ii00i"><noscript id="ii00i"></noscript></tfoot>
    天天成人综合网,亚洲人妻资源网,欧美精品网,国产黑丝袜在线观看视频,蜜桃av一卡二卡三卡,激情综合图区,亚洲avav,亚洲av电影天堂网

    您好!歡迎光臨烜芯微科技品牌官網!

    深圳市烜芯微科技有限公司

    ShenZhen XuanXinWei Technoligy Co.,Ltd
    二極管、三極管、MOS管、橋堆

    全國服務熱線:18923864027

  • 熱門關鍵詞:
  • 橋堆
  • 場效應管
  • 三極管
  • 二極管
  • 貼片電阻功率與封裝尺寸
    • 發布時間:2020-04-07 16:34:33
    • 來源:
    • 閱讀次數:
    貼片電阻功率與封裝尺寸
    貼片電阻
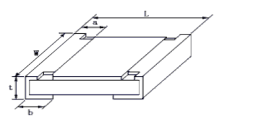
    貼片電阻常見封裝有10種,用兩種尺寸代碼來表示。一種尺寸代碼是由4位數字表示的EIA(美國電子工業協會)代碼,前兩位與后兩位分別表示電阻的長與寬,以英寸為單位。我們常說的0603封裝就是指英制代碼。另一種是米制代碼,也由4位數字表示,其單位為毫米。下表列出貼片電阻封裝英制和公制的關系及詳細的尺寸:
    貼片電阻
    貼片電阻
    貼片電容和貼片電阻都是一樣可以用的,0805,1206等
    貼片電阻功率及封裝尺寸
    0805封裝尺寸/0402封裝尺寸/0603封裝尺寸/1206封裝尺寸
    封裝尺寸與功率關系:
    0201 1/20W
    0402 1/16W
    0603 1/10W
    0805 1/8W
    1206 1/4W
    封裝尺寸與封裝的對應關系
    0402=1.0mmx0.5mm
    0603=1.6mmx0.8mm
    0805=2.0mmx1.2mm
    1206=3.2mmx1.6mm
    1210=3.2mmx2.5mm
    1812=4.5mmx3.2mm
    2225=5.6mmx6.5mm
    貼片電阻的功率是指通過電流時由于焦耳熱電阻產生的功率。可根據焦耳定律算出:P=I2 R。
    額定功率 : 是指在某個溫度下最大允許使用的功率,通常指環境溫度為70°C時的額定功率。
    額定電壓:可以根據以下公式求出額定電壓。
    額定電壓(V)=√
    額定功率(W)&TImes; 標稱阻值(Ω)
    最高工作電壓 :允許加載在貼片電阻兩端的最高電壓。
    貼片電阻的封裝與功率、電壓關系如下表:
    貼片電阻
    注意事項 :
    設計和使用貼片電阻時,最大功率不能超過其額定功率,否則會降低其可靠性。
    一般按額定功率的70%降額設計使用。
    也不能超過其最大工作電壓,否則有擊穿的危險。
    一般按最高工作電壓的75%降額設計使用。
    當環境溫度超過70°C,必須按照降額曲線圖(圖1,圖2)降額使用。
    貼片電阻
    國內貼片電阻的命名方法
    1、5%精度的命名:RS-05K102JT
    2、1%精度的命名:RS-05K1002FT
    R -表示電阻
    S -表示功率0402是1/16W、0603是1/10W、0805是1/8W、1206是1/4W、 1210是1/3W、1812是1/2W、2010是3/4W、2512是1W。
    05 -表示尺寸(英寸):02表示0402、03表示0603、05表示0805、06表示1206、1210表示1210、1812表示1812、10表示1210、12表示2512。
    K -表示溫度系數為100PPM,
    102-5%精度阻值表示法:前兩位表示有效數字,第三位表示有多少個零,基本單位是Ω,102=10000Ω=1KΩ。1002是1%阻值表示法:前三位表示有效數字,第四位表示有多少個零,基本單位是Ω,1002=100000Ω=10KΩ。
    J -表示精度為5%、F-表示精度為1%。
    T -表示編帶包裝
    1、貼片電阻的阻值表示與貼片電容容值表示都是數字與“R”組合表示的。譬如:3ohm用3R0表示,10ohm用100表示,100ohm用101表示,也就是說“R”表示點“。”的意思,而101后面個位數的“1”表示的是帶有1個0,例如102表示10000。
    2、電阻上的數字和字母表示的就是阻值,R002就表示0.002ohm,180表示的就是18ohm.
    3、怎樣區分貼片的電阻與電容,由于電阻上面有白色的字體表示,所以除端角外背景顏色應該是黑色的,而電容上就沒有字體表示,也不會有黑色的顏色,因為有黑色的話容易讓人產生誤會電容被氧化。
    讀出四塊數據,乘給出數據,相加
    貼片電阻的命名
    貼片電阻阻值誤差精度有±1%、±2%、±5%、±10%精度,常規用的最多的是±1%和±5%
    ±5%精度的常規是用三位數來表示例例512,前面兩位是有效數字,第三位數2表示有多少個零,基本單位是Ω,這樣就是5100歐,1000Ω=1KΩ,1000000Ω=1MΩ
    為了區分±5%,±1%的電阻,于是±1%的電阻常規多數用4位數來表示,
    這樣前三位是表示有效數字,第四位表示有多少個零4531也就是4530Ω,也就等于4.53KΩ
    貼片電阻
    烜芯微專業制造二極管,三極管,MOS管,橋堆等20年,工廠直銷省20%,1500家電路電器生產企業選用,專業的工程師幫您穩定好每一批產品,如果您有遇到什么需要幫助解決的,可以點擊右邊的工程師,或者點擊銷售經理給您精準的報價以及產品介紹
    相關閱讀