• <tr id="ii00i"></tr>
  • <nav id="ii00i"><sup id="ii00i"></sup></nav>
  • <nav id="ii00i"></nav>
  • <tfoot id="ii00i"><noscript id="ii00i"></noscript></tfoot>
    <tfoot id="ii00i"><noscript id="ii00i"></noscript></tfoot>
  • <tfoot id="ii00i"><noscript id="ii00i"></noscript></tfoot>
    天天成人综合网,亚洲人妻资源网,欧美精品网,国产黑丝袜在线观看视频,蜜桃av一卡二卡三卡,激情综合图区,亚洲avav,亚洲av电影天堂网

    您好!歡迎光臨烜芯微科技品牌官網!

    深圳市烜芯微科技有限公司

    ShenZhen XuanXinWei Technoligy Co.,Ltd
    二極管、三極管、MOS管、橋堆

    全國服務熱線:18923864027

  • 熱門關鍵詞:
  • 橋堆
  • 場效應管
  • 三極管
  • 二極管
  • 三極管工作原理-三極管結構與工作原理
    • 發布時間:2020-03-20 16:14:52
    • 來源:
    • 閱讀次數:
    三極管工作原理-三極管結構與工作原理
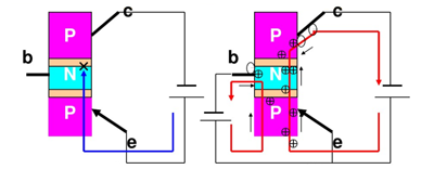
    了解三極管工作原理前,先看一張三極管內部結構原理圖;從圖中可以清晰的看出NPN和PNP內部結構的區別。
    三極管工作原理
    三極管NPN型和PNP型的工作原理:
    三極管工作原理
    NPN三極管:
    Vb<Ve (截止狀態)
    Vc>Vb>Ve(放大狀態)
    Vb>Ve Vb>Vc (飽和狀態)
    PNP三級管:
    Vb>Ve (截止狀態)
    Vc<Vb<Ve(放大狀態)
    Vb<Ve Vb<Vc(飽和狀態)
    “V”代表是電壓。
    三極管工作原理
    為了方便理解:下面的正電子-空穴;負電子-自由電子
    在圖的左邊,當NPN三極管b極沒有電壓輸入時,c極與e極之間沒有電流通過。c極與e之間關閉,三極管處于截止狀態。
    在圖的右邊,當NPN三極管b極輸入一個正電壓,由于電廠作用,e極N區負電子被b極P區正電子吸引出來涌向(擴散)到基區,因為基區做的很薄,所以只有一部分負電子與正電子碰撞(復合)產生基極電流,另一部分負電子則在集電結附近聚集,由于電場作用聚集在集電結的負電子穿過(漂移)集電結,到達集電區后與聚集在c極(N型半導體端)正電子碰撞產生集電極電流。
    從此可見,基極電流越大,集電極電流越大,即集電極輸入一個小的電流,集電極就可得到一個大的電流,三極管此刻處于放大狀態。
    需要注意,當基極電流到達一定程度,集電極電流不再升高。這時三極管失去電流放大作用,集電極和發射極之間的電壓很小,集電極和發射極之間相當于開關的導通狀態,此刻三極管處于飽和狀態。
    三極管工作原理
    PNP三極管的工作原理和NPN三極管是一樣的,只是偏壓方向,電流方向均相反,電子和空穴的角色互換。PNP三極管是利用Veb控制由射區經基區,入射到集電區的正電子,而NPN三極管則是利用Vbe加控制由射區經基區、入射到集電區的負電子。
    以上為PNP型三極管工作流程圖和NPN相比有以下相同和不同之處:
    1、 NPN集電極電流產生為lbe,PNP集電極電流產生為leb。
    2、 NPN發射區發射負電子,PNP發射區發射正電子。
    3、 NPN集電區收集負電子,PNP集電區收集正電子。
    4、 NPN電流方向為lce,PNP電流方向為lec。
    烜芯微專業制造二極管,三極管,MOS管,橋堆等20年,工廠直銷省20%,1500家電路電器生產企業選用,專業的工程師幫您穩定好每一批產品,如果您有遇到什么需要幫助解決的,可以點擊右邊的工程師,或者點擊銷售經理給您精準的報價以及產品介紹
    相關閱讀