• <tr id="ii00i"></tr>
  • <nav id="ii00i"><sup id="ii00i"></sup></nav>
  • <nav id="ii00i"></nav>
  • <tfoot id="ii00i"><noscript id="ii00i"></noscript></tfoot>
    <tfoot id="ii00i"><noscript id="ii00i"></noscript></tfoot>
  • <tfoot id="ii00i"><noscript id="ii00i"></noscript></tfoot>
    天天成人综合网,亚洲人妻资源网,欧美精品网,国产黑丝袜在线观看视频,蜜桃av一卡二卡三卡,激情综合图区,亚洲avav,亚洲av电影天堂网

    您好!歡迎光臨烜芯微科技品牌官網!

    深圳市烜芯微科技有限公司

    ShenZhen XuanXinWei Technoligy Co.,Ltd
    二極管、三極管、MOS管、橋堆

    全國服務熱線:18923864027

  • 熱門關鍵詞:
  • 橋堆
  • 場效應管
  • 三極管
  • 二極管
  • 肖特基二極管的功率檢測電路知識
    • 發布時間:2020-03-18 16:21:39
    • 來源:
    • 閱讀次數:
    肖特基二極管的功率檢測電路知識
    肖特基二極管結構
    肖特基二極管(Schottky Barrier Diode)是一種利用金屬-半導體結原理制作的特殊二極管,簡稱SBD。由于具有正向導通電壓低和快速開關等特點,肖特基二極管適合高頻應用。
    肖特基二極管
    肖特基二極管的電路檢測應用
    在無線RF應用中,為了調節接受到的功率級,并把目標功率發射到放大器,必須首先檢測接收到的功率,并通過一個增益控制電路(AGC)反饋檢測到的電壓。這樣的檢測電路就需要使用肖特基二極管。
    肖特基二極管
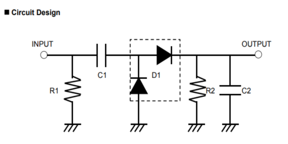
    肖特基二極管電路檢測該電路BOM只有5個元器件,包括兩個1000pF電容器,一個封裝尺寸為1005,另一個為1608;兩個電阻器阻值分別為100歐姆、470k歐姆,封裝尺寸均為1608。PCB采用FR-4,尺寸為25 x 10mm,肖特基二極管采用安森美公司的NSVR351SDSA3,封裝規格SC-59。
    烜芯微專業制造二極管,三極管,MOS管,橋堆等20年,工廠直銷省20%,1500家電路電器生產企業選用,專業的工程師幫您穩定好每一批產品,如果您有遇到什么需要幫助解決的,可以點擊右邊的工程師,或者點擊銷售經理給您精準的報價以及產品介紹
    相關閱讀