• <tr id="ii00i"></tr>
  • <nav id="ii00i"><sup id="ii00i"></sup></nav>
  • <nav id="ii00i"></nav>
  • <tfoot id="ii00i"><noscript id="ii00i"></noscript></tfoot>
    <tfoot id="ii00i"><noscript id="ii00i"></noscript></tfoot>
  • <tfoot id="ii00i"><noscript id="ii00i"></noscript></tfoot>
    天天成人综合网,亚洲人妻资源网,欧美精品网,国产黑丝袜在线观看视频,蜜桃av一卡二卡三卡,激情综合图区,亚洲avav,亚洲av电影天堂网

    您好!歡迎光臨烜芯微科技品牌官網!

    深圳市烜芯微科技有限公司

    ShenZhen XuanXinWei Technoligy Co.,Ltd
    二極管、三極管、MOS管、橋堆

    全國服務熱線:18923864027

  • 熱門關鍵詞:
  • 橋堆
  • 場效應管
  • 三極管
  • 二極管
  • 發光二極管電路圖符號的應用知識
    • 發布時間:2020-03-17 17:08:31
    • 來源:
    • 閱讀次數:
    發光二極管電路圖符號的應用知識
    發光二極管是什么
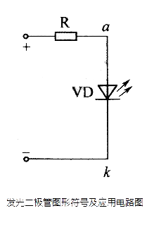
    發光二極管可能對于一些人來說是比較陌生的,但是它廣泛的應用在我們生活電子中,比如最常見的紅綠燈、led屏幕、電路儀器指示燈、或者一些組成文字或數字等。發光二極管簡稱為LED,由含鎵(Ga)、砷(As)、磷(P)、氮(N)等的化合物制成,當它們的電子和空穴復合時,將放出光子,并能發出可見光,這樣的二極管就是發光二極管,用符號VD表示。發光二極管在正向電壓作用下發光,反向電壓作用時截止,工作電流一般在幾毫安到十幾毫安之間,所以使用時應串聯限流電阻。
    發光二極管電路圖
    發光二極管圖形符號及應用電路圖
    發光二極管發光工作原理
    對于不同的半導體制造合成材料,發光二極管會發出紅、黃、藍、綠等不同的可見光色。發光二極管作為半導體二極管的一種,是能夠蔣電能轉為為光能,和普通的發光二極管一樣,發光二極管也是有PN結組成。具有單向導電性,當發光二極管正向電壓上升后,從P區注入到N去的空穴和由N區注入到P區的電子會在PN結附近數微米內分別與N區的電子和P區的空穴相結合,產生自發輻射的熒光。
    發光二極管的參數
    型號 發光顏色 發光波長(nm) 正向工作電流(mA) 正向工作電壓(V) 反向電壓(mA) 極限工作電流(mA) 發射功率(MW)
    BT201 655 20 ≤2.0 ≥5 70
    BT301 555 30 1.1~1.3 ≥5 60
    HG411 紅外 30 ≤1.5 ≥5 1~1.5
    HG521 紅外 930   ≤2.0 3A 100~150

    發光二極管電路圖符號
    發光二極管管體有大小兩個點狀固態符號,點狀較大的為正極(陽極),點狀小的為負極(陰極),也有管腳長短不一的發光二極管,這種的很好辨認“長正短負”。
    發光二極管電路圖
    發光二極管電路圖
    發光二極管電路符號詳解
    發光二極管作為在日常電子中幾乎必存的電子元器件,它能夠發出紅、綠、藍、黃等光能顏色,用眼睛觀察發光二極管,可以直接辨認正負極,管柱可看到管內一大一小兩個電極標識,正常的情況下,大正小負;管腳型發光二極管判斷正負極為長正短負。以前的發光二極管是可以通過本身的顏色判斷該二極管光能顏色,技術的進步,現在的透明發光二極管暫時沒辦法從本身判斷,只能通電后顯示才知道該二極管的顏色。
    發光二極管電路圖
    烜芯微專業制造二極管,三極管,MOS管,橋堆等20年,工廠直銷省20%,1500家電路電器生產企業選用,專業的工程師幫您穩定好每一批產品,如果您有遇到什么需要幫助解決的,可以點擊右邊的工程師,或者點擊銷售經理給您精準的報價以及產品介紹
    相關閱讀