• <tr id="ii00i"></tr>
  • <nav id="ii00i"><sup id="ii00i"></sup></nav>
  • <nav id="ii00i"></nav>
  • <tfoot id="ii00i"><noscript id="ii00i"></noscript></tfoot>
    <tfoot id="ii00i"><noscript id="ii00i"></noscript></tfoot>
  • <tfoot id="ii00i"><noscript id="ii00i"></noscript></tfoot>
    天天成人综合网,亚洲人妻资源网,欧美精品网,国产黑丝袜在线观看视频,蜜桃av一卡二卡三卡,激情综合图区,亚洲avav,亚洲av电影天堂网

    您好!歡迎光臨烜芯微科技品牌官網!

    深圳市烜芯微科技有限公司

    ShenZhen XuanXinWei Technoligy Co.,Ltd
    二極管、三極管、MOS管、橋堆

    全國服務熱線:18923864027

  • 熱門關鍵詞:
  • 橋堆
  • 場效應管
  • 三極管
  • 二極管
  • 細說mos管電子電路
    • 發布時間:2020-03-04 19:05:48
    • 來源:
    • 閱讀次數:
    細說mos管電子電路
    MOS管最顯著的特性是開關特性好,所以被廣泛應用于需要電子開關的電路中,常見的如開關電源和馬達驅動電路,也有照明調光。
    現在的MOS驅動,有幾個特別的需求:
    1. 低壓應用
    當使用5V電源,由于三極管的be只有0.7V左右的壓降,導致實際最終加載gate上的電壓只有4.3V,這時候,我們選用標稱gate電壓4.5V的MOS管就存在一定的風險。同樣的問題也發生在使用3V或者其他低壓電源的場合。
    2. 寬電壓應用
    輸入電壓并不是一個固定值,它會隨著時間或者其他因素而變動。這個變動導致PWM電路提供給MOS管的驅動電壓是不穩定的。
    為了讓MOS管在高gate電壓下安全,很多MOS管廠家內置穩壓管強行限制gate電壓的幅值。在這種情況下,當提供的驅動電壓超過穩壓管的電壓,就會引起較大的靜態功耗。
    同時,如果簡單的用電阻分壓的原理降低gate電壓,就會出現輸入電壓比較高的時候,MOS管工作良好,而輸入電壓降低的時候gate電壓不足,引起導通不夠徹底,從而增加功耗。
    3. 雙電壓應用
    在一些控制電路中,邏輯部分使用典型的5V或3.3V數字電壓,而功率部分使用12V甚至更高的電壓。兩個電壓采用共地方式連接。
    這就提出一個要求,需要使用一個電路,讓低壓側能夠有效的控制高壓側的MOS管,同時高壓側的MOS管也同樣會面對1和2提到的問題。
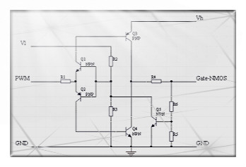
    mos管電子電路
    電路提供了如下的特性:
    1,用低端電壓和PWM驅動高端MOS管。
    2,用小幅度的PWM信號驅動高gate電壓需求的MOS管。
    3,gate電壓的峰值限制
    4,輸入和輸出的電流限制
    5,通過使用合適的電阻,可以達到很低的功耗。
    6,PWM信號反相。NMOS并不需要這個特性,可以通過前置一個反相器來解決。
    mos管電子電路
    mos管電子電路
    烜芯微專業制造二極管,三極管,MOS管,橋堆等20年,工廠直銷省20%,1500家電路電器生產企業選用,專業的工程師幫您穩定好每一批產品,如果您有遇到什么需要幫助解決的,可以點擊右邊的工程師,或者點擊銷售經理給您精準的報價以及產品介紹
    相關閱讀