• <tr id="ii00i"></tr>
  • <nav id="ii00i"><sup id="ii00i"></sup></nav>
  • <nav id="ii00i"></nav>
  • <tfoot id="ii00i"><noscript id="ii00i"></noscript></tfoot>
    <tfoot id="ii00i"><noscript id="ii00i"></noscript></tfoot>
  • <tfoot id="ii00i"><noscript id="ii00i"></noscript></tfoot>
    天天成人综合网,亚洲人妻资源网,欧美精品网,国产黑丝袜在线观看视频,蜜桃av一卡二卡三卡,激情综合图区,亚洲avav,亚洲av电影天堂网

    您好!歡迎光臨烜芯微科技品牌官網!

    深圳市烜芯微科技有限公司

    ShenZhen XuanXinWei Technoligy Co.,Ltd
    二極管、三極管、MOS管、橋堆

    全國服務熱線:18923864027

  • 熱門關鍵詞:
  • 橋堆
  • 場效應管
  • 三極管
  • 二極管
  • s8050與ss8050前面的s ss是什么意思
    • 發布時間:2019-12-26 15:27:13
    • 來源:
    • 閱讀次數:
    s8050與ss8050前面的s ss是什么意思
    s8050和ss8050三極管是同一個三極管嗎?選用8050三極管的時候要注意區分!!
    聽過8050的都知道是三極管,但是選器件的時候遇到帶s和ss的8050,就有些疑惑?就這兩個標識,一個S是指三星命名的8050,也就是8050三極管;兩個S是指三星命名同型號的大電流8050三極管,這也是最常用的兩種三極管。
    知道帶s、ss是什么意思了,那就更要知道這兩個8050三極管具體參數有什么不同?
    s8050、ss8050詳細參數表:
    Type Polarity Pcm Ic BVCBO BVCEO BVEBO HFE Vce(sat)
    (mW) (mA) (V) (V) (V) MIN MAX Vce(V) Ic(mA) (V) Ic(mA) IB(mA)
    S8050 NPN 300 500 40 25 5 120 400 1 50 0.6 500 50
    SS8050 NPN 300 1500 40 25 5 120 400 1 100 0.5 800 80
    通過參數表可以清楚的了解到s8050和ss8050的本質區別,在這兩種三極管之間,ss8050是可以直接替換s8050,反之是不可以的。
    s8050三極管外形封裝引腳和標識:
    s8050與ss8050
    1、s8050貼片封裝SOT-23,引腳說明如上圖,器件標識J3Y。
    s8050與ss8050
    2、ss8050貼片封裝SOT-23,引腳說明如上圖,器件標識Y2。
    s8050與ss8050
    3、s8050、ss8050插件封裝TO-92,引腳說明如上圖。
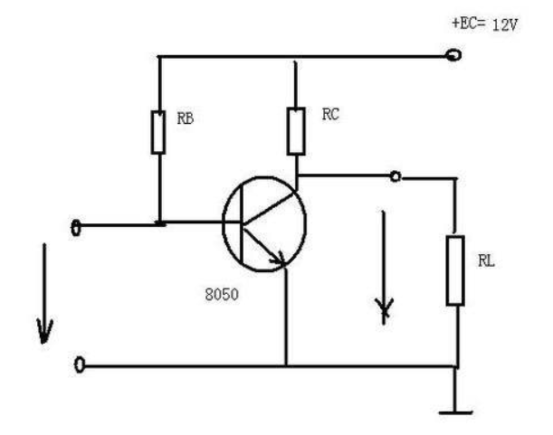
    s8050、ss8050基礎應用電路圖
    到現在對8050應該有一個大致的了解了,更深入了解三極管型號封裝和詳細參數,請點擊《三極管封裝資料大全》
    烜芯微專業制造二極管,三極管,MOS管,橋堆20年,工廠直銷省20%,1500家電路電器生產企業選用,專業的工程師幫您穩定好每一批產品,如果您有遇到什么需要幫助解決的,可以點擊右邊的工程師,或者點擊銷售經理給您精準的報價以及產品介紹
    相關閱讀