• <tr id="ii00i"></tr>
  • <nav id="ii00i"><sup id="ii00i"></sup></nav>
  • <nav id="ii00i"></nav>
  • <tfoot id="ii00i"><noscript id="ii00i"></noscript></tfoot>
    <tfoot id="ii00i"><noscript id="ii00i"></noscript></tfoot>
  • <tfoot id="ii00i"><noscript id="ii00i"></noscript></tfoot>
    天天成人综合网,亚洲人妻资源网,欧美精品网,国产黑丝袜在线观看视频,蜜桃av一卡二卡三卡,激情综合图区,亚洲avav,亚洲av电影天堂网

    您好!歡迎光臨烜芯微科技品牌官網!

    深圳市烜芯微科技有限公司

    ShenZhen XuanXinWei Technoligy Co.,Ltd
    二極管、三極管、MOS管、橋堆

    全國服務熱線:18923864027

  • 熱門關鍵詞:
  • 橋堆
  • 場效應管
  • 三極管
  • 二極管
  • 大功率變頻電源中快恢復二極管起到什么作用
    • 發布時間:2019-12-12 16:31:12
    • 來源:
    • 閱讀次數:
    大功率變頻電源中快恢復二極管起到什么作用
    在大功率變頻電源中快恢復二極管一般用在逆變部分的緩沖電路中,做為續流二極管和整流二極管使用。我們看一個實例:采用半橋結構串聯諧振逆變電路的大功率變頻電源電路分析。 
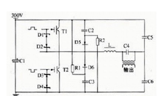
    快恢復二極管
    圖1 半橋結構串聯諧振逆變電路
    采用半橋結構串聯諧振逆變電路的大功率變頻電源,主電路原理如圖1所示。在大功率IGBT諧振式逆變電路中,主電路的結構設計十分重要,由于電路中存在引線寄生電感,IGBT開關動作時在電感上激起的浪涌尖峰電壓Ldi/dt不可忽視,由于本電源采用的是半橋逆變電路,相對全橋電路來說,將產生比全橋電路更大的di/dt。正確設計過壓保護即緩沖電路,對IGBT的正常工作十分重要。如果緩沖電路設計不當,將造成緩沖電路損耗增大,會導致電路發熱嚴重,容易損壞元件,不利于長期工作。
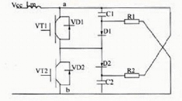
    快恢復二極管
    圖2 緩沖電路
    過程是:當VT2開通時,隨著電流的上升,在線路雜散電感Lm的作用下,使得Uab下降到Vcc-Ldi/dt,此時前一工作周期以被充電到Vcc的緩沖電容C1,通過VT1的反并聯二極管VD1、VT2和緩沖電阻R2放電。在緩沖電路中,流過反并聯二極管VD1的瞬時導通電流ID1為流過線路雜散電感電流IL和流過緩沖電容C1的電流IC之和。即ID1=IL+IC,因此IL和di/dt相對于無緩沖電路要小得多。當VT1關斷時,由于線路雜散電感Lm的作用,使Uce迅速上升,并大于母線電壓Vcc,這時緩沖二極管VD1正向偏置,Lm中的儲能(LmI2/2)向緩沖電路轉移,緩沖電路吸收了貯能,不會造成Uce的明顯上升。
    烜芯微專業制造二極管,三極管,MOS管,橋堆20年,工廠直銷省20%,1500家電路電器生產企業選用,專業的工程師幫您穩定好每一批產品,如果您有遇到什么需要幫助解決的,可以點擊右邊的工程師,或者點擊銷售經理給您精準的報價以及產品介紹
    相關閱讀