• <tr id="ii00i"></tr>
  • <nav id="ii00i"><sup id="ii00i"></sup></nav>
  • <nav id="ii00i"></nav>
  • <tfoot id="ii00i"><noscript id="ii00i"></noscript></tfoot>
    <tfoot id="ii00i"><noscript id="ii00i"></noscript></tfoot>
  • <tfoot id="ii00i"><noscript id="ii00i"></noscript></tfoot>
    天天成人综合网,亚洲人妻资源网,欧美精品网,国产黑丝袜在线观看视频,蜜桃av一卡二卡三卡,激情综合图区,亚洲avav,亚洲av电影天堂网

    您好!歡迎光臨烜芯微科技品牌官網!

    深圳市烜芯微科技有限公司

    ShenZhen XuanXinWei Technoligy Co.,Ltd
    二極管、三極管、MOS管、橋堆

    全國服務熱線:18923864027

  • 熱門關鍵詞:
  • 橋堆
  • 場效應管
  • 三極管
  • 二極管
  • tip42c參數規格書-tip42c引腳圖電路應用
    • 發布時間:2019-11-19 14:52:08
    • 來源:
    • 閱讀次數:
    tip42c參數,tip42c引腳圖電路圖,tip42c
    tip42c參數規格書
    點擊查看規格書。
    tip42c參數,tip42c引腳圖電路圖,tip42c
    查看tip42c參數詳情
    tip42c參數,tip42c引腳圖電路圖,tip42c
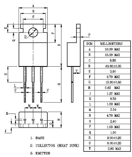
    tip42c參數封裝尺寸
    tip42c參數,tip42c引腳圖電路圖,tip42c
    tip42c概述
    tip42是由美國得克薩斯儀表公司生產的,應用材料是SI-NPN.應用于低頻,音頻,或功率放大之用,TIP41C的極限工作電壓max為100V.最大工作電流I=6A。TIP41 NPN中功率三極管,廣泛用于信號放大及音頻功放用晶體管,可與TIP42 PNP管做互補對稱管使用.
    tip42c引腳圖電路圖及引腳定義
    tip42c參數,tip42c引腳圖電路圖,tip42c
    1、基集
    2、集電極
    3、發射極
    tip42c應用電路
    (一)
    當PB01端輸入1時,也就是光耦管截止(或開路),則Q2必定截止,Q4跟隨截止(繼電器斷電);當PB01端輸入0時,也就是光耦管導通(或短路),則Q2必將導通,Q4也導通(繼電器加電);為了控制穩定,必須給Q2提供可靠的集電極電流,就是加個集電極電阻(一端直接接地),如陳堅道先生給的那個圖。因為你用了個大功率管,也不知道你繼電器電流需要多大,如果Q4基極電流不夠,可以去掉R14(即短路掉),R11的值減小些以加大Q2集電極電流。
    tip42c參數,tip42c引腳圖電路圖,tip42c
    (二)
    tip42c參數,tip42c引腳圖電路圖,tip42c
    烜芯微專業制造二極管,三極管,MOS管,橋堆20年,工廠直銷省20%,1500家電路電器生產企業選用,專業的工程師幫您穩定好每一批產品,如果您有遇到什么需要幫助解決的,可以點擊右邊的工程師,或者點擊銷售經理給您精準的報價以及產品介紹
    相關閱讀