• <tr id="ii00i"></tr>
  • <nav id="ii00i"><sup id="ii00i"></sup></nav>
  • <nav id="ii00i"></nav>
  • <tfoot id="ii00i"><noscript id="ii00i"></noscript></tfoot>
    <tfoot id="ii00i"><noscript id="ii00i"></noscript></tfoot>
  • <tfoot id="ii00i"><noscript id="ii00i"></noscript></tfoot>
    天天成人综合网,亚洲人妻资源网,欧美精品网,国产黑丝袜在线观看视频,蜜桃av一卡二卡三卡,激情综合图区,亚洲avav,亚洲av电影天堂网

    您好!歡迎光臨烜芯微科技品牌官網!

    深圳市烜芯微科技有限公司

    ShenZhen XuanXinWei Technoligy Co.,Ltd
    二極管、三極管、MOS管、橋堆

    全國服務熱線:18923864027

  • 熱門關鍵詞:
  • 橋堆
  • 場效應管
  • 三極管
  • 二極管
  • 場管自激逆變器電路圖自制設計
    • 發布時間:2019-09-17 12:29:57
    • 來源:
    • 閱讀次數:
    逆變器是把直流電能(電池、蓄電瓶)轉變成交流電(一般為220v50HZ正弦或方波)。通俗的講,逆變器是一種將直流電(DC)轉化為交流電(AC)的裝置。它由逆變橋、控制邏輯和濾波電路組成。廣泛適用于空調、家庭影院、電動砂輪、電動工具、縫紉機、DVD、VCD、電腦、電視、洗衣機、抽油煙機、冰箱,錄像機、按摩器、風扇、照明等 。
    簡單地說,逆變器就是一種將低壓(12或24伏或48伏)直流電轉變為220伏交流電的電子設備。因為我們通常是將220伏交流電整流變成直流電來使用,而逆變器的作用與此相反,因此而得名。我們處在一個“移動”的時代,移動辦公,移動通訊,移動休閑和娛樂。在移動的狀態中,人們不但需要由電池或電瓶供給的低壓直流電,同時更需要我們在日常環境中不可或缺的220伏交流電,逆變器就可以滿足我們的這種需求。
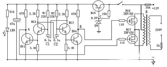
    場管自激逆變器電路圖
    場管自激逆變器電路圖文詳解
    場管自激逆變器電路圖
    晶體管逆變器電路圖
    這是一款非常容易制作的逆變器,可以將12V電源電壓變為220V市電,電路由BG2和BG3組成的多諧振蕩器推動,再通過BG1和BG2驅動,來控制BG6和BG7工作。
    其中振蕩電路由BG5與DW組的穩壓電源供電,這樣可以使輸出頻率比較穩定。
    在制作時,變壓器可選有常用雙12V輸出的市電變壓器。可根據需要,選擇12V蓄電池的容量。
    烜芯微專業制造二三極管,MOS管,20年,工廠直銷省20%,1500家電路電器生產企業選用,專業的工程師幫您穩定好每一批產品,如果您有遇到什么需要幫助解決的,可以點擊右邊的工程師,或者點擊銷售經理給您精準的報價以及產品介紹
    相關閱讀