什么是NMOS管
NMOS英文全稱為N-Metal-Oxide-Semiconductor。 意思為N型金屬-氧化物-半導體,而擁有這種結構的晶體管我們稱之為NMOS晶體管。 MOS晶體管有P型MOS管和N型MOS管之分。由MOS管構成的集成電路稱為MOS集成電路,由NMOS組成的電路就是NMOS集成電路,由PMOS管組成的電路就是PMOS集成電路,由NMOS和PMOS兩種管子組成的互補MOS電路,即CMOS電路。
NMOS管結構
在一塊摻雜濃度較低的P型硅襯底上,制作兩個高摻雜濃度的N+區,并用金屬鋁引出兩個電極,分別作漏極d和源極s。然后在半導體表面覆蓋一層很薄的二氧化硅(SiO2)絕緣層,在漏——源極間的絕緣層上再裝上一個鋁電極,作為柵極g。
在襯底上也引出一個電極B,這就構成了一個N溝道增強型MOS管。MOS管的源極和襯底通常是接在一起的(大多數管子在出廠前已連接好)。它的柵極與其它電極間是絕緣的。圖(a)、(b)分別是它的結構示意圖和代表符號。代表符號中的箭頭方向表示由P(襯底)指向N(溝道)。P溝道增強型MOS管的箭頭方向與上述相反,如圖(c)所示。


NMOS管增強型工作原理
(1)vGS對iD及溝道的控制作用
① vGS=0 的情況
從圖1(a)可以看出,增強型MOS管的漏極d和源極s之間有兩個背靠背的PN結。當柵——源電壓vGS=0時,即使加上漏——源電壓vDS,而且不論vDS的極性如何,總有一個PN結處于反偏狀態,漏——源極間沒有導電溝道,所以這時漏極電流iD≈0。
② vGS>0 的情況
若vGS>0,則柵極和襯底之間的SiO2絕緣層中便產生一個電場。電場方向垂直于半導體表面的由柵極指向襯底的電場。這個電場能排斥空穴而吸引電子。
排斥空穴:使柵極附近的P型襯底中的空穴被排斥,剩下不能移動的受主離子(負離子),形成耗盡層。吸引電子:將 P型襯底中的電子(少子)被吸引到襯底表面。
(2)導電溝道的形成:
當vGS數值較小,吸引電子的能力不強時,漏——源極之間仍無導電溝道出現,如圖1(b)所示。vGS增加時,吸引到P襯底表面層的電子就增多,當vGS達到某一數值時,這些電子在柵極附近的P襯底表面便形成一個N型薄層,且與兩個N+區相連通,在漏——源極間形成N型導電溝道,其導電類型與P襯底相反,故又稱為反型層,如圖1(c)所示。vGS越大,作用于半導體表面的電場就越強,吸引到P襯底表面的電子就越多,導電溝道越厚,溝道電阻越小。開始形成溝道時的柵——源極電壓稱為開啟電壓,用VT表示。
上面討論的N溝道MOS管在vGS<VT時,不能形成導電溝道,管子處于截止狀態。只有當vGS≥VT時,才有溝道形成。這種必須在vGS≥VT時才能形成導電溝道的MOS管稱為增強型MOS管。溝道形成以后,在漏——源極間加上正向電壓vDS,就有漏極電流產生。
vDS對iD的影響


如圖(a)所示,當vGS>VT且為一確定值時,漏——源電壓vDS對導電溝道及電流iD的影響與結型場效應管相似。
漏極電流iD沿溝道產生的電壓降使溝道內各點與柵極間的電壓不再相等,靠近源極一端的電壓最大,這里溝道最厚,而漏極一端電壓最小,其值為VGD=vGS-vDS,因而這里溝道最薄。但當vDS較?。╲DS隨著vDS的增大,靠近漏極的溝道越來越薄,當vDS增加到使VGD=vGS-vDS=VT(或vDS=vGS-VT)時,溝道在漏極一端出現預夾斷,如圖2(b)所示。再繼續增大vDS,夾斷點將向源極方向移動,如圖2(c)所示。由于vDS的增加部分幾乎全部降落在夾斷區,故iD幾乎不隨vDS增大而增加,管子進入飽和區,iD幾乎僅由vGS決定。
NMOS管增強型的特性曲線、方程及參數詳解
(1)特性曲線和電流方程


1)輸出特性曲線
N溝道增強型MOS管的輸出特性曲線如圖1(a)所示。與結型場效應管一樣,其輸出特性曲線也可分為可變電阻區、飽和區、截止區和擊穿區幾部分。
2)轉移特性曲線
轉移特性曲線如圖1(b)所示,由于場效應管作放大器件使用時是工作在飽和區(恒流區),此時iD幾乎不隨vDS而變化,即不同的vDS所對應的轉移特性曲線幾乎是重合的,所以可用vDS大于某一數值(vDS>vGS-VT)后的一條轉移特性曲線代替飽和區的所有轉移特性曲線。
3)iD與vGS的近似關系
與結型場效應管相類似。在飽和區內,iD與vGS的近似關系式為


式中IDO是vGS=2VT時的漏極電流iD。
(2)參數
MOS管的主要參數與結型場效應管基本相同,只是增強型MOS管中不用夾斷電壓VP ,而用開啟電壓VT表征管子的特性。
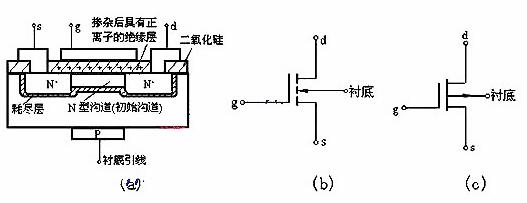
NMOS管耗盡型基本結構


(1)結構:
N溝道耗盡型MOS管與N溝道增強型MOS管基本相似。
(2)區別:
耗盡型MOS管在vGS=0時,漏——源極間已有導電溝道產生,而增強型MOS管要在vGS≥VT時才出現導電溝道。
(3)原因:
制造N溝道耗盡型MOS管時,在SiO2絕緣層中摻入了大量的堿金屬正離子Na+或K+(制造P溝道耗盡型MOS管時摻入負離子),如圖1(a)所示,因此即使vGS=0時,在這些正離子產生的電場作用下,漏——源極間的P型襯底表面也能感應生成N溝道(稱為初始溝道),只要加上正向電壓vDS,就有電流iD。
如果加上正的vGS,柵極與N溝道間的電場將在溝道中吸引來更多的電子,溝道加寬,溝道電阻變小,iD增大。反之vGS為負時,溝道中感應的電子減少,溝道變窄,溝道電阻變大,iD減小。當vGS負向增加到某一數值時,導電溝道消失,iD趨于零,管子截止,故稱為耗盡型。溝道消失時的柵-源電壓稱為夾斷電壓,仍用VP表示。與N溝道結型場效應管相同,N溝道耗盡型MOS管的夾斷電壓VP也為負值,但是,前者只能在vGS<0的情況下工作。而后者在vGS=0,vGS>0,VP。
(4)電流方程:


在飽和區內,耗盡型MOS管的電流方程與結型場效應管的電流方程相同。
NMOS管邏輯門電路
NMOS邏輯門電路是全部由N溝道MOSFET構成。由于這種器件具有較小的幾何尺寸,適合于制造大規模集成電路。此外,由于NMOS集成電路的結構簡單,易于使用CAD技術進行設計。與CMOS電路類似,NMOS電路中不使用難于制造的電阻 。NMOS反相器是整個NMO邏輯門電路的基本構件,它的工作管常用增強型器件,而負載管可以是增強型也可以是耗盡型。現以增強型器件作為負載管的NMOS反相器為例來說明它的工作原理。


上圖是表示NMOS反相器的原理電路,其中T1為工作管,T2為負載管,二者均屬增強型器件。若T1和T2在同一工藝過程中制成,它們必將具有相同的開啟電壓VT。從圖中可見,負載管T2的柵極與漏極同接電源VDD,因而T2總是工作在它的恒流區,處于導通狀態。當輸入vI為高電壓(超過管子的開啟電壓VT)時,T1導通,輸出vO;為低電壓。輸出低電壓的值,由T1,T2兩管導通時所呈現的電阻值之比決定。通常T1的跨導gm1遠大于T2管的跨導gm2,以保證輸出低電壓值在+1V左右。當輸入電壓vI為低電壓(低于管子的開啟電壓VT)時,T1截止,輸出vO為高電壓。由于T2管總是處于導通狀態,因此輸出高電壓值約為(VDD—VT)。
通常gm1在100~200之間,而gm2約為5~15。T1導通時的等效電阻Rds1約為3~10kΩ,而T2的Rds2約在100~200kΩ之間。負載管導通電阻是隨工作電流而變化的非線性電阻。
在NMOS反相器的基礎上,可以制成NMOS門電路。下圖即為NMOS或非門電路。只要輸入A,B中任一個為高電平,與它對應的MOSFET導通時,輸出為低電平;僅當A、B全為低電平時,所有工作管都截止時,輸出才為高電平。可見電路具有或非功能,即


或非門的工作管都是并聯的,增加管子的個數,輸出低電平基本穩定,在整體電路設計中較為方便,因而NMOS門電路是以或非門為基礎的。這種門電路不像TTL或CMOS電路作成小規模的單個芯片 ,主要用于大規模集成電路。
以上討論和分析了各種邏輯門電路的結構、工作原理和性能,為便于比較,現用它們的主要技術參數傳輸延遲時間Tpd和功耗PD綜合描述各種邏輯門電路的性能,如圖所示。

烜芯微專業制造二三極管,MOS管,20年,工廠直銷省20%,1500家電路電器生產企業選用,專業的工程師幫您穩定好每一批產品,如果您有遇到什么需要幫助解決的,可以點擊右邊的工程師,或者點擊銷售經理給您精準的報價以及產品介紹

烜芯微專業制造二三極管,MOS管,20年,工廠直銷省20%,1500家電路電器生產企業選用,專業的工程師幫您穩定好每一批產品,如果您有遇到什么需要幫助解決的,可以點擊右邊的工程師,或者點擊銷售經理給您精準的報價以及產品介紹

