• <tr id="ii00i"></tr>
  • <nav id="ii00i"><sup id="ii00i"></sup></nav>
  • <nav id="ii00i"></nav>
  • <tfoot id="ii00i"><noscript id="ii00i"></noscript></tfoot>
    <tfoot id="ii00i"><noscript id="ii00i"></noscript></tfoot>
  • <tfoot id="ii00i"><noscript id="ii00i"></noscript></tfoot>
    天天成人综合网,亚洲人妻资源网,欧美精品网,国产黑丝袜在线观看视频,蜜桃av一卡二卡三卡,激情综合图区,亚洲avav,亚洲av电影天堂网

    您好!歡迎光臨烜芯微科技品牌官網!

    深圳市烜芯微科技有限公司

    ShenZhen XuanXinWei Technoligy Co.,Ltd
    二極管、三極管、MOS管、橋堆

    全國服務熱線:18923864027

  • 熱門關鍵詞:
  • 橋堆
  • 場效應管
  • 三極管
  • 二極管
  • 78l05引腳圖怎么判斷-三端穩壓管78/79系列工作原理結構知識
    • 發布時間:2019-09-05 11:56:20
    • 來源:
    • 閱讀次數:
    78l05引腳圖怎么判斷
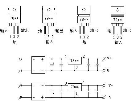
    1、從正面看①②③引腳從左向右按順序標注,接入電路時①腳電壓高于②腳,③腳為輸出位。
    2、如對于78**正壓系列,①腳高電位,②腳接地,③腳為輸出位;而對于79**負壓系列,①腳接地,②腳接負電壓,③腳為輸出位。如附圖所示。
    3、此外,還應注意,散熱片總是和最低電位的第②腳相連。這樣在78**系列中,散熱片和②腳(地)連接,而在79**系列中,散熱片卻和②腳(輸入端)連接。
    78/79系列工作原理
    電子產品中常見到的三端穩壓集成電路有正電壓輸出的78××系列和負電壓輸出的79××系列。故名思義,三端IC是指這種穩壓用的集成電路只有三條引腳輸出,分別是輸入端、接地端和輸出端。它的樣子象是普通的三極管,TO-220的標準封裝,也有9013樣子的TO-92封裝。
    用78/79系列三端穩壓IC來組成穩壓電源所需的外圍元件極少,電路內部還有過流、過熱及調整管的保護電路,使用起來可靠、方便,而且價格便宜。該系列集成穩壓IC型號中的78或79后面的數字代表該三端集成穩壓電路的輸出電壓,如7806表示輸出電壓為正6V,7909表示輸出電壓為負9V。
    78l05引腳圖怎么判斷
    78l05引腳圖怎么判斷
    78/79系列三端穩壓IC有很多電子廠家生產,80年代就有了,通常前綴為生產廠家的代號,如TA7805是東芝的產品,AN7909是松下的產品。
    有時在數字78或79后面還有一個M或L,如78M12或79L24,用來區別輸出電流和封裝形式等,其中78L調系列的最大輸出電流為100mA,78M系列最大輸出電流為1A,78系列最大輸出電流為1.5A。它的封裝也有多種,詳見圖。塑料封裝的穩壓電路具有安裝容易、價格低廉等優點,因此用得比較多。79系列除了輸出電壓為負。引出腳排列不同以外,命名方法、外形等均與78系列的相同。因為三端固定集成穩壓電路的使用方便,電子制作中經常采用,可以用來改裝分立元件的穩壓電源,也經常用作電子設備的工作電源。
    注意三端集成穩壓電路的輸入、輸出和接地端絕不能接錯,不然容易燒壞。一般三端集成穩壓電路的最小輸入、輸出電壓差約為2V,否則不能輸出穩定的電壓,一般應使電壓差保持在4-5V,即經變壓器變壓,二極管整流,電容器濾波后的電壓應比穩壓值高一些。
    在實際應用中,應在三端集成穩壓電路上安裝足夠大的散熱器(當然小功率的條件下不用)。當穩壓管溫度過高時,穩壓性能將變差,甚至損壞。
    當制作中需要一個能輸出1.5A以上電流的穩壓電源,通常采用幾塊三端穩壓電路并聯起來,使其最大輸出電流為N個1.5A,但應用時需注意:并聯使用的集成穩壓電路應采用同一廠家、同一批號的產品,以保證參數的一致。另外在輸出電流上留有一定的余量,以避免個別集成穩壓電路失效時導致其他電路的連鎖燒毀。
    在78**、79**系列三端穩壓器中最常應用的是TO-220和TO-202兩種封裝。這兩種封裝的圖形以及引腳序號、引腳功能如附圖所示。
    78l05引腳圖怎么判斷
    78l05引腳圖怎么判斷
    此外,還應注意,散熱片總是和最低電位的第③腳相連。這樣在78**系列中,散熱片和地相連接,而在79**系列中,散熱片卻和輸入端相連接.
    78l05引腳圖怎么判斷
    78l05引腳圖怎么判斷
    78l05特性
    1、輸入電壓可達30-35V
    2、輸出電流可達到100mA
    3、無需外接元件
    4、內部熱過載保護
    5、內部短路電流限制
    6、從2004年底開始,提供的各類封裝形式,均為無鉛封裝產品。
    烜芯微專業制造二三極管,MOS管,20年,工廠直銷省20%,1500家電路電器生產企業選用,專業的工程師幫您穩定好每一批產品,如果您有遇到什么需要幫助解決的,可以點擊右邊的工程師,或者點擊銷售經理給您精準的報價以及產品介紹
    相關閱讀