三端穩壓器
三端穩壓器是一種直到臨界反向擊穿電壓前都具有很高電阻的半導體器件。穩壓管在反向擊穿時,在一定的電流范圍內(或者說在一定功率損耗范圍內),端電壓幾乎不變,表現出穩壓特性,因而廣泛應用于穩壓電源與限幅電路之中。
1117三端穩壓器的作用
首先談談,穩壓器是干什么的,穩壓器就是提供穩定的電壓給后級電路,比如給單片機提供穩定的3V或者5V電源,這樣單片機才可以穩定的運行。


三端穩壓器顧名思義,就是有三個端口的穩壓器,一般是輸入電壓,輸出電壓,地三個端口,只需要外圍簡單幾個電容即可,使用簡單方便。


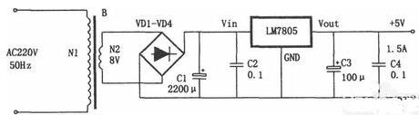
常用的一種三端穩壓器,7805,這個在電路中最常用,可以提供5V的電壓,提供幾百毫安的電流,需要注意,電流稍微大些,需要增加散熱片。


另外還有7812,和7805一樣,同一系類,他可以提供12V的輸出,另外輸入電壓也有所提高,需要注意輸入電壓不能和7812懸殊太大,不然壓降都會降在穩壓器上面,溫度很高,不利于穩定使用。
正電壓可調的穩壓器,就是可以通過外圍簡單的電阻反饋,使輸出的電壓按照電阻的大些來變化,輸出正電壓值。


還有一種可以輸出負電壓的三端穩壓器,可以按照外圍電阻來輸出負電壓值供其他電路使用。


常見三端穩壓器分類及使用方法
市場中常見的三端穩壓器,主要有兩種,一種是輸出的是固定電壓,叫固定輸出三端穩壓器。另一種輸出的是可調節電壓,叫可調輸出三端穩大器,此外還有正電壓和負電壓輸出型。但是基本原理是大同小異,都是通過采用串聯型穩壓電路來實現穩壓的。三端穩壓器是線性集成穩壓器中使用相對比較廣泛的一種穩壓器,因為三端穩壓器只有三個引出端子,外接元件少,使用方便,性能穩定,價格低廉的優點,使其得到廣泛推廣應用。
集成穩壓器按出線端子數量和使用情況大致可分為三端固定式、三端可調式、多端可調式及單片開關式等幾種。
(一)三端固定式集成穩壓器。
三端固定式集成穩壓器是一種串聯調整式穩壓器。它將全部電路集成在單塊硅片中,整個集成穩壓器只有輸入、輸出和公共三個引出端,使用非常方便。典型產品有78&TImes;&TImes;正電壓輸出系列和79&TImes;&TImes;負電壓輸出系列。如下圖(a)為78××系列的正電壓輸出,圖下圖(b)為79××系列的負電壓輸出。


(二)三端可調式集成穩壓器
三端可調式集成穩壓器可以輸出連續可調的直流電壓。常見的產品有××117/××217/××317、××137/××237/××337。××117/××217/××317系列穩壓器可輸出連續可調的正電壓;××137/××237/××337系列可輸出連續可調的負電壓。可調范圍為1.25~37V,最大輸出電流可達1.5A。典型產品有LM317/LM337等。三端可調式集成穩壓器( LM317)封裝形式和引腳功能如下圖所示。
××117/××217/××317和××137/××237/××337兩種系列可調穩壓器外形封裝相同,區別在于輸出電壓一個是正壓,一個是負壓。


78××/79××系列中的型號××表示集成穩壓器的輸出電壓的數值,以伏(V)為單位。兩種系列穩壓器輸出的固定電壓有5V、6V、7V、8V、9V、10V、12V、15V、18V和24V等。型號中間的字母通常表示輸出電流大小,以78(或79)后面加字母來區分,L表示0.1A,M表示0.5A,無字母表示1.5A。例如,78L05表示+5V,0.1A。后綴英文字母表示輸出電壓容差與封裝形式等。
1117三端穩壓器系列型號
烜芯微半導體1117三端穩壓器系列型號見下表:
|
Part Number |
Maximum Ratings |
Vout(V) |
Package
|
|||
|
|
VIN(V) |
IOUT(mA) |
Min |
Typ |
Max |
|
|
1117-ADJ |
12 |
1000 |
|
-1.25 |
|
SOT223 |
|
1117-1.8 |
12 |
1000 |
1.764 |
1.8 |
1.836 |
SOT223 |
|
1117-2.5 |
12 |
1000 |
2.45 |
2.5 |
2.55 |
SOT223 |
|
1117-3.3 |
12 |
1000 |
3.234 |
3.3 |
3.366 |
SOT223 |
|
1117-5.0 |
12 |
1000 |
4.9 |
5 |
5.1 |
SOT223 |
117三端穩壓器在使用時注意事項
在使用時必須要注意:(VD和(Vo)之間的關系,舉個例子,以7805為例,該三端穩壓器的固定輸出電壓是5V,而輸入電壓至少大于7V,這樣輸入/輸出之間有2- 3V及以上的壓差。使調整管保證工作在放大區。但壓差取得大時,又會增加集成塊的功耗,所以,兩者應兼顧,既保證在最大負載電流時調整管不進入飽和,又不致于功耗偏大。
另外還有一個需要注意的地方就是,一般在三端穩壓器的輸出端接一個二極管,用來防止輸入端短路時輸出端存儲的電荷通過穩壓器,而損壞器件。這是有效保護器件的有效方法,在使用的過程中一定要注意了。
三端穩壓器在實際應用中也需要多加注意,根據使用的電器情兄的不同去設定三端穩壓器,要做好時常的維護與檢修工作,保證設備的正常運行。
烜芯微專業制造二三極管,MOS管,20年,工廠直銷省20%,1500家電路電器生產企業選用,專業的工程師幫您穩定好每一批產品,如果您有遇到什么需要幫助解決的,可以點擊右邊的工程師,或者點擊銷售經理給您精準的報價以及產品介紹
烜芯微專業制造二三極管,MOS管,20年,工廠直銷省20%,1500家電路電器生產企業選用,專業的工程師幫您穩定好每一批產品,如果您有遇到什么需要幫助解決的,可以點擊右邊的工程師,或者點擊銷售經理給您精準的報價以及產品介紹

