• <tr id="ii00i"></tr>
  • <nav id="ii00i"><sup id="ii00i"></sup></nav>
  • <nav id="ii00i"></nav>
  • <tfoot id="ii00i"><noscript id="ii00i"></noscript></tfoot>
    <tfoot id="ii00i"><noscript id="ii00i"></noscript></tfoot>
  • <tfoot id="ii00i"><noscript id="ii00i"></noscript></tfoot>
    天天成人综合网,亚洲人妻资源网,欧美精品网,国产黑丝袜在线观看视频,蜜桃av一卡二卡三卡,激情综合图区,亚洲avav,亚洲av电影天堂网

    您好!歡迎光臨烜芯微科技品牌官網!

    深圳市烜芯微科技有限公司

    ShenZhen XuanXinWei Technoligy Co.,Ltd
    二極管、三極管、MOS管、橋堆

    全國服務熱線:18923864027

  • 熱門關鍵詞:
  • 橋堆
  • 場效應管
  • 三極管
  • 二極管
  • 雙向mos管開關電路的兩種方法
    • 發布時間:2019-07-31 14:42:02
    • 來源:
    • 閱讀次數:
    而本文主要闡述利用MOS管搭建的低成本方案,實現電平的雙向轉換(本文給大家提供兩個方式辦法)
    第一種方式:
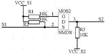
    當你運用3.3V的單片機的時候,電平轉換就在所難免了,經常會遇到3.3轉5V或者5V轉3.3V的狀況,這里引見一個簡單的電路,它能夠完成兩個電平的互相轉換(注意是,雙向的,不是單向的!).電路非常簡單,僅由3個電阻加一個MOS管構成,電路圖如下:
    雙向mos管
    上圖中,S1,S2為兩個信號端,VCC_S1和VCC_S2為這兩個信號的高電平電壓.
    另外限制條件為:
    1,VCC_S1<=VCC_S2.
    2,S1的低電平門限大于0.7V左右(視NMOS內的二極管壓降而定)
    3,Vgs<=VCC_S1.
    4,Vds<=VCC_S2
    關于3.3V和5V/12V等電路的互相轉換,NMOS管選擇AP2306即可.原理比擬簡單,大家自行剖析吧!此電路我已在多處應用,效果很好.
    雙向mos管
    電路闡明如下:
    電平轉換器的操作
    在電平轉換器的操作中要思索下面的三種狀態:
    1)沒有器件下拉總線線路。
    “低電壓”局部的總線線路經過上拉電阻Rp 上拉至3.3V。 MOSFET 管的門極和源極都是3.3V, 所以它的VGS 低于閥值電壓,MOSFET 管不導通。這就允許“高電壓”局部的總線線路經過它的上拉電阻Rp 拉到5V。 此時兩局部的總線線路都是高電平,只是電壓電平不同。
    2)一個3.3V 器件下拉總線線路到低電平。
    MOSFET 管的源極也變成低電平,而門極是3.3V。 VGS上升高于閥值,MOSFET 管開端導通。然后“高電壓”局部的總線線路經過導通的MOSFET管被3.3V 器件下拉到低電平。此時,兩局部的總線線路都是低電平,而且電壓電平相同。
    3)一個5V 的器件下拉總線線路到低電平。
    MOSFET 管的漏極基底二極管“低電壓”局部被下拉直到VGS 超越閥值,MOSFET 管開端導通。“低電壓”局部的總線線路經過導通的MOSFET 管被5V 的器件進一步下拉到低電平。此時,兩局部的總線線路都是低電平,而且電壓電平相同。
    這三種狀態顯現了邏輯電平在總線系統的兩個方向上傳輸,與驅動的局部無關。狀態1 執行了電平轉換功用。狀態2 和3 依照I2C 總線標準的請求在兩局部的總線線路之間完成“線與”的功用。
    除了3.3V VDD1 和5V VDD2 的電源電壓外,還能夠是例如:2V VDD1 和10V VDD2。 在正常操作中,VDD2必需等于或高于VDD1( 在開關電源時允許VDD2 低于VDD1)
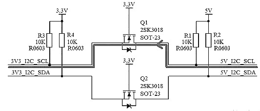
    第二種方式:
    主要闡述利用MOS管搭建的低成本方案,實現電平的雙向轉換,具體電路如下圖示:
    雙向mos管
    以下分析其工作原理,因SCL與SDA兩條支路工作原理一致,故選取其中一條支路進行分析,如下分三種情況進行討論:
    1)空閑狀態:
    雙向mos管
    則有:
    3V3 12C SCL MOS管 體二極管 5V 12C SDA
    空閑狀態 3.3V OFF 反向載止 5V
    2)3.3V轉5V:
    雙向mos管
    則有:
    雙向mos管
    3)5V轉3.3V:
    雙向mos管
    則有:
    雙向mos管
    注:
    因MOS管都存在開關速度問題,故此種形式的電平轉換電路速度不能過高,一般控制在1MHz以內;而對于標準模式100kbit/s 或快速模式400kbit/s的 I2C 總線,該電平轉換電路不存在任何限制問題。
    烜芯微專業制造二三極管,MOS管,20年,工廠直銷省20%,1500家電路電器生產企業選用,專業的工程師幫您穩定好每一批產品,如果您有遇到什么需要幫助解決的,可以點擊右邊的工程師,或者點擊銷售經理給您精準的報價以及產品介紹
    相關閱讀