• <tr id="ii00i"></tr>
  • <nav id="ii00i"><sup id="ii00i"></sup></nav>
  • <nav id="ii00i"></nav>
  • <tfoot id="ii00i"><noscript id="ii00i"></noscript></tfoot>
    <tfoot id="ii00i"><noscript id="ii00i"></noscript></tfoot>
  • <tfoot id="ii00i"><noscript id="ii00i"></noscript></tfoot>
    天天成人综合网,亚洲人妻资源网,欧美精品网,国产黑丝袜在线观看视频,蜜桃av一卡二卡三卡,激情综合图区,亚洲avav,亚洲av电影天堂网

    您好!歡迎光臨烜芯微科技品牌官網!

    深圳市烜芯微科技有限公司

    ShenZhen XuanXinWei Technoligy Co.,Ltd
    二極管、三極管、MOS管、橋堆

    全國服務熱線:18923864027

  • 熱門關鍵詞:
  • 橋堆
  • 場效應管
  • 三極管
  • 二極管
  • 場效應管功放電路-場效應管功放電路圖工作原理解析
    • 發布時間:2019-06-14 13:54:02
    • 來源:
    • 閱讀次數:
    烜芯微是國內專業生產二三極管的生產廠家,先進的生產設備以及專業的工程師,可以很好的幫助客戶朋友穩定好品質,全自動化一貫機,加快了生產速度,以及成本的下降,實現了品質,供貨速度與價格的優勢,今天我們分享,場效應管功放電路-場效應管功放電路圖工作原理解析,供大家參考
    場效應功放電路
    場效應管具有輸入阻抗高、頻率特性好、穩定性好(無二次擊穿現象)
    場效應管功放電路 自制的場效應功放電路圖
    場效應管功放電路
    低噪聲、低失真等特點,已被廣泛地應用在音響電路中,用VMOS功率場效應管制成的功放,音色優美,音色比雙極型晶體管功放暖,與電子管功放相似,失真小且制作容易,因此很受音響愛好者的喜愛。[]能擁有自制的高品質功放更是很多發燒友的夢想,因為自己動手制作功放。
    下面介紹一款簡潔易制的場效應管功放電路。
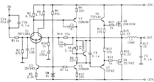
    如圖所示(圖中只畫出一個聲道)。為減小失真,輸入級采用差動放大電路。V1用對管2SC1583,穩定性和對稱性好;V2接成恒流源,為本級提供穩定的靜態工作電流,采用恒流源作差動放大器的射極電阻,可提高差動放大器的共模抑制比和動態范圍,從而進一步改善失真。c1為輸入耦合電容,R1、c2構成低通濾波器,阻止前級的超音頻干擾信號竄入功放;R2決定了功放的輸入阻抗。合形式,是從成本上考慮的。若全用場效應管,效果更好。
    各管的射(陰)極都加有本級電流負反饋電阻,起穩定靜態工作點的作用。有利于改善失真。整機負反饋則由R18、R19、C6、C7組成,總增益約為26.8dB。C7是隔直電容,使前后級形成直流全負反饋,保證輸出中點靜態零電位。
    c3、c6是為了抑制高頻自激振蕩而設置。放大器的電壓增益大部分由V3獲得,而c3可產生高頻負反饋,降低放大器的高頻增益,破壞高頻自激的幅度條件。但c3又使高頻相位 更加滯后,所以在反饋回路中加入C6,進行相位超前補償,破壞高頻自激的相位條件。
    C5、R17組成相移校正電路,使負載近于純電阻。防止高頻自激。由于揚聲器阻抗中的電感分量在高頻時明顯增加,使放大器的負載呈電感性,引起輸電流滯后于輸m電 壓。若放大器的高頻增益較高,還容易產生高頻自激振蕩。
    R13、R14串接在柵極是防止VMOS管產生高頻自激。(]由于柵極的高阻抗,加上接線及分布電容、電感和柵極分布電容的影響,VMOS管在工作中可會出現高頻自激振蕩。解決V3為第二級電壓放大管,V5接成恒流源,為本級提供穩的靜態工作電流和高的負載阻抗,由于V5的存在,v3的壓增益大為提高,這樣,就不必用自舉電路。
    V4、VR和R9接在V3、V5集電極之間構成Vbe擴大電,調節VR可改變末級大功率管的靜態工作電流。V4還起度補償作用,當功率管的溫度升高時,V4的發射結壓降小,于是V4的集電極一發射極電壓也降低,從而降低了功管的靜態電流,作用與二極管相似,但比二極管更靈,安裝時應與功率管一起裝在散熱器上,電氣上要絕。
    V6一V9等組成輸出級,采用雙極型晶體管與場效應管混的辦法是加入阻尼電阻,即在柵極串接一只電阻(一般不超過1kQ)。
    二、用場效應管構成的功放電路
    本文介紹了一款采用場效應管做前級放大制作的功率放大器,音響效果很理想。()由于該功放的后級電路是一個直流耦合的電路,各級工作點的選擇,尤其第一級場效應管的工作點的選擇,將對電路的性能有較大的影響,因此本文著重敘述電路參數的計算及調試。
    1.電路原理
    場效應管功放電路 用場效應管構成的功放電路圖
    場效應管功放電路
    電路主要由兩級差動放大及三級射極跟隨電路組成,如圖1所示。N溝道場效應管VT1、VT2構成第一級共源差動放大器,而VT3、VT4分別又與VT1、VT2構成共柵共源電路。眾所周知差動放大器具有共模抑制比高、失調和漂移小的優良性能。而在共柵共源電路中,后級的輸入電阻就是前級的負載電阻,由于共柵電路的輸入電阻較小,使前級共源極的電壓增益變小,但組合電路的電壓增益主要由共柵極決定,輸出電阻則主要由共柵極決定。因為前級共源極的電壓增益變小,所以特別適宜于高頻工作。R3、VT5、R4構成1mA的恒流源,此電流在VD3、R7上產生22V的電壓,從而使VT3、VT4的柵極電壓穩定在22V。由于柵源極間電壓很小,VT3、VT4.的源極電壓即VT1、VT2的漏源電壓就穩定在22V。VT3、VT4的漏源電壓也穩定在約22V。對直流而言VT3、VT4的柵極電位為22V,對交流而言VT3、VT4的柵極電位為0V,因此為共柵電路。R11、VT6構成第一級差動電路的恒流源,其作用是提高交流阻抗,提高共模抑制比。R5、C2是相位補償元件,用于防止高頻振蕩。 VT8、VT9構成第二級差動電路,VT7為其恒流源。VT0、VT11為比例式鏡像恒流源電路,VT11的集電極電流與VT10電流之比等于R22/R23,由于R22=R23,因此差動電流兩臂的電流是相等的。
    VT12、VT13為末三級射極跟隨電路提供合適的工作電流點。
    在輸入信號為正時,R29、R30的中點以及輸出O點電位為正,因此均可作為VT1、VT2差動級的負反饋電壓。R38、C9構成低通濾波器,角頻率為1Hz時增益即下降到1/根號2。集成電路TL072構成輸出點直流穩零跟隨器,其輸出Uo與其輸入Ui的關系為Uo=Ui+1/T∫Uidt,即Uo為Ui的比例積分,Uo作用于VT1、VT2差動級負反饋,能使O點直流電位為士10mV以下。在開環增益足夠大的情況下,整個后級電路的閉環電壓增益等于R14/R12。
    場效應管放大電路的靜態分析
    根據偏置電路形式,場效應管放大電路的直流通路分為自給偏壓電路和分壓式偏置電路。
    場效應管功放電路
    一、自給偏壓電路
    用N溝道結型場效應管組成的自給偏壓電路如圖Z0217所示。
    自給偏壓原理:在正常工作范圍內,場效應管的柵極幾乎不取電流,IG= 0,所以,UG = 0,當有IS = ID流過RS時,
    必然會產生一個電壓Us=IsRs=IdRs,從而有
    UGS = UG- US= - IDRS
    依靠場效應管自身的電流ID 產生了柵極所需的負偏壓,故稱為自給偏壓。
    為了減小RS對放大倍數的影響,在RS 兩端并聯了一個旁路電容 Cs。
    估算靜態工作點,由圖Z0217所示電路的直流通路可得:
    UGS = UG- US= - IDRSGS0223
    UDS = ED - ID(RS + Rd) GS0224
    結型場效應管的轉移特性可近似表示為:
    場效應管功放電路
    式中IDSS為飽和漏電流,VP為夾斷電壓。
    聯立求解GS0223~GS0225各式,便可求得靜態工作點Q(ID,UGS,UDS)。
    場效應管功放電路
    二、分壓式偏置電路
    由于參數IDSS ,VP 等與溫度有關,因此,場效應管放大電路也要設法穩定靜態工作點。
    實際上,自給偏壓電路就具有一定的穩定Q點的能力。例如:溫度升高使ID增加時,US也隨之增加,從而使UGS 更負,反過來又抑制了ID的增大。但如果對溫度穩定性要求更高時,單純靠增大RS來穩定Q點,勢必會導致Au下降,甚至產生嚴重的非線性失真。圖Z0218所示的分壓式偏置電路,通過R1與R2分壓,給柵極一個固定的IE電壓,這樣就可以把RS選的比較大,而Q點又不致于過低。圖中Rg的主要作用是增大輸入電阻,進一步減小柵極電流。
    對分壓式偏置電路,在確定靜悉工作點時,同樣可用圖解法和計算法。與自給偏壓電路不同之處是UG≠0。只需將柵源回路直流負載線方程改為:
    場效應管功放電路
    烜芯微專業制造二三極管20年,工廠直銷省20%,1500家電路電器生產企業選用,專業的工程師幫您穩定好每一批產品,如果您有遇到什么需要幫助解決的,可以點擊右邊的工程師,或者點擊銷售經理給您精準的報價以及產品介紹
    相關閱讀