• <tr id="ii00i"></tr>
  • <nav id="ii00i"><sup id="ii00i"></sup></nav>
  • <nav id="ii00i"></nav>
  • <tfoot id="ii00i"><noscript id="ii00i"></noscript></tfoot>
    <tfoot id="ii00i"><noscript id="ii00i"></noscript></tfoot>
  • <tfoot id="ii00i"><noscript id="ii00i"></noscript></tfoot>
    天天成人综合网,亚洲人妻资源网,欧美精品网,国产黑丝袜在线观看视频,蜜桃av一卡二卡三卡,激情综合图区,亚洲avav,亚洲av电影天堂网

    您好!歡迎光臨烜芯微科技品牌官網!

    深圳市烜芯微科技有限公司

    ShenZhen XuanXinWei Technoligy Co.,Ltd
    二極管、三極管、MOS管、橋堆

    全國服務熱線:18923864027

  • 熱門關鍵詞:
  • 橋堆
  • 場效應管
  • 三極管
  • 二極管
  • 快恢復二極管與肖特基二極管的區別是什么
    • 發布時間:2019-05-26 22:41:37
    • 來源:
    • 閱讀次數:
    一、快恢復二極管
    恢復二極管,簡稱FRD,它是一種具有開關特性好、反向恢復時間短特點的半導體二極管,與普通二極管一樣具有單向導電性,主要應用于開關電源、脈寬調制器、變頻器等電子電路中,主要作為高頻整流二極管、續流二極管或阻尼二極管使用。
    快恢復二極管與肖特基二極管的區別
    1、快恢復二極管在繼電器方面的應用
    如下圖,在繼電器兩端并聯一個UF4007,它的反向重復峰值電壓1000V、正向浪涌電流30A。繼電器線圈是可以儲存能量的,一旦線圈斷電,它兩端就會產生很大的反向電動勢,如果在線圈兩端并聯一個快恢復二極管,使它產生一個回路,電動勢通過這個回路使線圈儲存的能量泄放。
    快恢復二極管與肖特基二極管的區別
    2、快恢復二極管在IGBT開關管的應用
    如下圖是電磁爐全橋控制的LC振蕩電路,Q1-Q4相互導通,在導通-關斷過程中,會產生能量,這個二極管經常被稱為寄生二極管或者續流二極管,IGBT作為開關用時候一般電壓達到上千伏,因此肖特基二極管不適合。
    快恢復二極管與肖特基二極管的區別
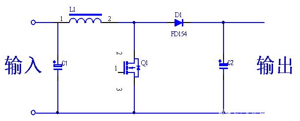
    3、快恢復二極管在BOOST升壓等開關電源應用
    1)如下圖是BOOST升壓電路,FR154為400V/1.5A快恢復二極管,起到防止電流倒灌作用
    快恢復二極管與肖特基二極管的區別
    2)在RCD等鉗位吸收回路應用,如下圖D1/UF4007與R1、C2組成吸收回路
    快恢復二極管與肖特基二極管的區別
    二、肖特基二極管
    肖特基二極管,簡稱SBD,它不是利用PN結原理制作的,它是以金屬為正極,以N型半導體為負極,利用二者接觸面上形成的勢壘具有整流特性而制成的一種半導體器件,是一種熱載流子二極管,肖特基二極管在電路中主要是作整流二極管、續流二極管、保護二極管等,主要用在低電壓、大電流的電路中,如開關電源、變頻器、逆變器、微波通信
    快恢復二極管與肖特基二極管的區別
    1、肖特基二極管在開關電源的應用
    如下圖,開關電源整流采用D1和D2是整流對管MBR20150CT(20A 150V), 這樣可把二次繞組以及整流管損耗降至一定限度
    快恢復二極管與肖特基二極管的區別
    三、快恢復二極管與肖特基二極管特點
    1、快恢復二極管的反向恢復時間為幾百納秒,而肖特基二極管比它快,甚至幾納秒;
    2、快恢復二極管的反向擊穿電壓高,一般都高于200V,甚至幾千伏,而肖特基二極管的反向擊穿電壓很低,普遍在100以下,有些會高一點;
    3、快恢復二極管的功耗較大,而肖特基二極管反向恢復時間短、損耗小、噪聲低。
    烜芯微專業制造二三極管20年,工廠直銷省20%,1500家電路電器生產企業選用,專業的工程師幫您穩定好每一批產品,如果您有遇到什么需要幫助解決的,可以點擊右邊的工程師,或者點擊銷售經理給您精準的報價以及產品介紹
    相關閱讀